Boiler control

In the health care industry one of the most important pieces of equipment is the boiler, which needs a high performance control system to reach a safe and efficient operation, low maintenance and compliance with environmental regulations with open communication capacities for digital transformation.

ECN Automation has the knowledge and experience to develop comprehensive boiler control systems complying with functional safety norms and emission control.

System features

BMS combustion control

Fuel atomization control

Dome level control

O2 analysis combustion control

SIL2 Instrumental system safety level

Monitoring and control system

Fuel consumption totalizers and steam generation

Process instrumentation and water quality analysis

Combustion gases and emission analysis



Combustion control

Made up of:

  • BMS Boiler master
  • Air flow control
  • Fuel flow control
  • (O2) Combustion analyzer


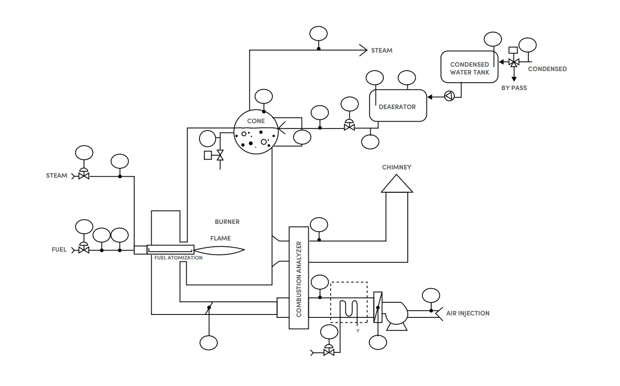
Instrumentation and combustion control diagram



Boiler process diagram



Boiler control system



Water quality for boilers

Boiler water treatment is essential to ensure a long useful life free of operational issues, important repairs and accidents. From hard water to soft, it is that which has a high level of minerals, particularly calcium and magnesium salts

  • pH represents acidic and alkaline characteristics in water, thus its control is essential to prevent corrosion problems (low pH) and deposits (high pH)
  • Hardness. Hardness in water mainly quantifies the amount of calcium and magnesium ions present in water, which favor the making of deposits and inlays difficult to remove over the heat transference surfaces of a boiler
  • Oxygen. Oxygen present in water favors corrosion in the metallic components of a boiler. Pressure and temperature increase the speed in which corrosion is produced


Water analysis



Combustion efficiency and atmosphere emission control

International regulations stablished the limits of contaminated emissions to the atmosphere that need to be monitoring to acomplished the law.

O2

CO

CO2

NO

NOx

SO2

HC



Boiler monitoring through mobile devices

The system has the option and it is prepared to integrate mobile devices for monitoring and process information that make operators or supervisors’ job more efficient.

Compatible devices for portability:

  • Industrial tablets
  • Regular tablets
  • Cell phones
ECN Automation
offers comprehensive solutions.


Contact us