Breweries

Beer is a drink of choice for most people in the world. Produced from malt grains and other cereals such as wheat, rice and corn, which are boiled and fermented with yeast.

Around the world there is an extensive variety of beer types, distinction among them is the grain used, the boiling temperature curves, the yeast and the hop used. There are two big groups of beer:

1. Ale. High fermentation. Temperature between 15 and 25 °C

Ale
Ale is a general category of beer it is the oldest style of beer, which dates back to antiquity. What distinguishes an ale is a warm-temperature fermentation for a relatively short period of time. Varieties of Ale beer: Blonde ale, blown ale, pale ale, indian pale ale.

Porter and stout
A type of ale, porter beers are known for their dark black color and roasted malt aroma and notes.

2. Lager. Low fermentation. Temperature around 5.9 °C.

Lager and pilsner
Lagers are a newer style of beer with two key differences from ales. Lagers ferment for a long time at a low temperature.

Wheat
The grain used to produced this kind of beer is wheat, it is an easy-drinking, light style of beer that can be filtered or unfiltered presentation.

At ECN Automation we have solutions for all your manufacturing processes:

  • Malt and grain reception
  • Brewing room
  • Fermentation
  • Filtration
  • Bottling
  • CIP

Malt and grain reception
Malt and grain reception is the initial process of beer production.

Malt and grain reception

Brew House
The cooking process of grains and malt is at the heart of a brewery to obtain the beer wort for the fermentation process.

Brew House

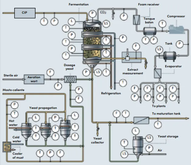
Fermentation
Fermentation’s objective is to produce alcohol. Considering yeast’s condition, oxygen level is controlled in order to reach optimal yeast growth. Reliable temperature measuring is key during the whole process to guarantee a homogeneous quality in every lot.

Fermentation

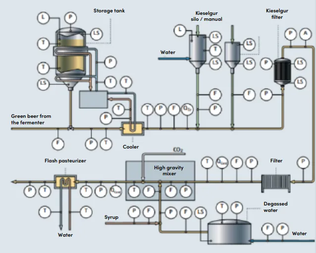
Filtering
The fermented beer is a turbit liquid which need to be filtered for a clear and crispy presentation.

Filtering

Bottling
Bottling’s aim is to protect beer from external factors such as humidity and environmental contaminants. Before bottling, canning or putting it into kegs, it is usually put through a heating treatment to get rid of any microorganism. Short term heating systems through flash pasteurization are used.

Bottling

Cleaning In Situ Optimization (CIP)
Concentration used for CIP cleaning is a critical factor for food safety and at the same time determines the use of detergent and waste water.






ECN Automation
offers comprehensive solutions.


Contact us